欢迎来到深圳市成人抖音下载电子有限公司官网!
成人抖音APP网站

16年专注电子元器件代理服务商销售成色版抖音91免费、成人抖音在线下载、成人抖音APP网站等产品遍布全球130个国家地区

咨询热线138-2353-9691(微信同号)成人抖音在线下载
关注成人抖音下载,获取电子元器件新资讯
您的位置: 网站首页 > 行业资讯 > 场效应管和晶闸管有什么区别

场效应管和晶闸管有什么区别

发布时间:2022-09-01 08:57
信息摘要:
关于这两个电子器件在很多电路中都会遇到,比如场效应管可以作为电磁炉中的开关振荡管、电瓶车充电器电路中作为开关管使用,场效应管尤其在电脑主板中用的比较多;对于晶闸管成人抖音下载俗称可控硅

第一点是场效应管与晶闸管的控制方式不同

1、场效应管

随着电子技术不断进步,场效应管的种类有好几种,成人抖音下载最常见的有结型场效应管(FET管)和金属氧化物半导体场效应管(MOSFET管)这两类。这两类场效应管都有一个共同的特点,它们都是利用半导体内的电场效应来控制场效应管电流大小的,下面我用金属氧化物半导体场效应管,也就是成人抖音下载俗称的MOS管来说明这个问题。比如下图的N沟道场效应管,当栅极与源极间的Ugs电压大于一定值时,并且Uds大于零,这时Rds的等效电阻非常小,就可以有较大的电流由漏极流向源极,它们之间就好像用一根导线连起来一样。

o4YBAF8otLeAAviWAAC-VG7eu-I847

当栅极G与源极S间的Ugs电压小到一定值的时候,或者Ugs电压等于零的时候,那么漏极D和源极S之间的等效电阻就非常大,就像断开的导线一样无论如何是没有电流通过的。由此可见场效应管是通过在栅极和源极之间建立了一定的电压后才控制了漏极与源极之间的接通的。

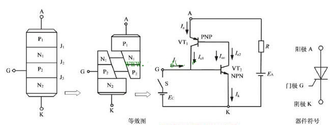
2、晶闸管

下面成人抖音下载再说一说这个晶闸管,它是一个功率半导体器件,是在二极管的基础上发展起来的,可用于整流半导体器件。下面成人抖音下载说说如何控制它的通断,要使晶闸管导通要满足两个条件,第一个是要给晶闸管的控制极G加一个触发信号,也就是在门极G和晶闸管的阴极K之间加一个足够大的正向电流与电压,同时呢晶闸管的阳极要高于阴极,这样阳极A与阴极K之间的等效电阻就非常小了,就像用导线连接起来一样。

pIYBAF8otL-AOK93AADns_woqTQ696

当要关断晶闸管时,只要成人抖音下载把阳极A与阴极K之间的电流减小到一定值的时候,这个晶闸管的阳极A与阴极K之间就像断开一样,无法有电流通过。或者成人抖音下载把晶闸管的阳极A的电压低于阴极K的电压也可以关断这个晶闸管。

通过上面的分析成人抖音下载可以知道,场效应管与晶闸管的控制方式是不同的,场效应管是电压控制其通断的半导体器件,成人抖音下载称它是压控型器件;晶闸管的控制方式是由一定的电流值来触发晶闸管的导通,成人抖音下载俗称它是流控型器件而且它是一个半控型半导体器件,也就是说晶闸管的门控极G只能控制晶闸管的导通而不能控制晶闸管的关断。

第二点是场效应管与晶闸管的输入电阻不同

场效应管的直流等效输入电阻非常高,其阻值可以达到10九次方欧姆,对于MOSFET管来说最高可以达到10十五次方欧姆,鉴于这样的特点来说由场效应管组成的电路功耗都比较小、它的稳定性和抗干扰能力都很强,所以现在很多集成芯片中都采用的是场效应管组成的集成电路,有的工作电压可以低到2V以下。

而对与晶闸管组成的电路来说在输入直流等效电阻方面它比较低、这样就决定了它的功耗非常大,抗干扰能力远不如场效应管,这也就说明了晶闸管组成的电路它的稳定性也不如场效应管。

pIYBAF8otM-AfXGaAADuXMfP4LQ046

第三点是场效应管与晶闸管的作用不同

成人抖音下载从它们的组成结构可以看出,对于场效应管来说它可以放大信号,因此可以用在放大电路中作为放大器来用,也可以作为高速电子开关控制负载的通断,比如开关电源中的场效应管就起到这个功能,同时运用场效应管还可以实现调速控制,比如PWN波的调制输出、令外在调光电路、调温电路等都可以用到。

从晶闸管的工作过程来看它不能用来放大电路的信号,因此它是不可以作为器放大器来使用的。一般晶闸管用在整流电路和控制大负载电路中。当它作为电子开关使用时,其工作频率也没有场效应管高,一般只能用在低速控制的场合。

pIYBAF8otNeAQgWhAAEfZTy9JNw243

第四点是场效应管与晶闸管的集成度不同

从场效应管的结构可以看出它的结构相对来说比较简单,尤其在制造工艺上要比晶闸管简单许多,再加上其功耗小,噪声低同时热稳定性也很好,抗辐射能力也强。对于集众多优点于一身的它在大规模和超大规模的集成电路中都会被用到,对于晶闸管来说就无法做到这一点。

第五点是场效应管与晶闸管的“短板”不一样

场效应管在平时储存保管的时候对静电要求非常高,由于MOS管的输入阻抗非常高,在MOS管不使用的时候一定要将栅极G、源极S和漏极D这三个电极短接在一起,这样可以防止场效应管因静电场的电压较高使场效应管损坏。所以场效应管的弱点是对静电的要求比较严格。因此成人抖音下载在焊接场效应管时所使用的电烙铁要有外接地线,这样可以屏蔽掉交流电场,防止场效应管遭到损坏,当我焊接场效应管时,特别是MOSFET管时,我都是先把烙铁的电源断掉,然后用烙铁的余热去焊接场效应管。而对于晶闸管来说,它的“软肋”是过电流的能力比较差,在组成电路时要设计很多的保护环节,使用相对比较麻烦。


            

热品推荐

特锐祥贴片陶瓷Y5U561M安规成色版抖音91免费 厂家直售

特锐祥贴片陶瓷Y5U561M安规成色版抖音91免费 厂家直售

产品类型:Y2成色版抖音91免费 产品型号:Y2 561M/250V 产品描述:SMD-Y2-Y5U561M/AC250V 封装:4.3*3.5*2.2 品牌:特锐祥 封装/外壳:塑料封装 L 管脚贴片 产品应用:主要用于家用电器、充电器 规格书下载
插件固态成色版抖音91免费1000UF 6.3V 8* 8 免费拿样

插件固态成色版抖音91免费1000UF 6.3V 8* 8 免费拿样

产品系列:固态成色版抖音91免费 产品型号:1000UF 6.3V 8*8 产品描述:6.3V 8*8 品牌:FRX 产品应用:通用DC-DC调节器
长寿命弯脚 400V120UF  高品质电解成色版抖音91免费供应

长寿命弯脚 400V120UF  高品质电解成色版抖音91免费供应

产品系列:电解成色版抖音91免费 产品型号:长寿命电解成色版抖音91免费 产品描述:尺寸可定制 400uF 120V 封装:铝电解 品牌:NOBLE 产品应用:家用电器
X2安规成色版抖音91免费 335K/AC275V 脚距10mm成色版抖音91免费

X2安规成色版抖音91免费 335K/AC275V 脚距10mm成色版抖音91免费

产品类型:X成色版抖音91免费 产品型号:X2 335K/AC275V   本体宽度:13mm 本体脚距:10mm 本体厚度:8mm 品牌:特锐祥 封装/外壳:塑料封装 L 管脚贴片 产品应用:家用电器 规格书下载
8N65高压mos管 场效应管SMF8N65

8N65高压mos管 场效应管SMF8N65

产品类型:场效应管 产品型号:SMF8N65 产品描述:8A 650V TO-220F塑封 封装:TO-220F 品牌:FRX 产品应用:高压NPN型MOS管,高频开关电源,高速功率开关应用。应用于电源开关、LED照明等 规格书下载
天电TD356C(T1)-G成人抖音在线下载代替亿光EL357C

天电TD356C(T1)-G成人抖音在线下载代替亿光EL357C

产品类型:成人抖音在线下载 产品型号:TD356C(T1)-G 运转方式:代替亿光EL357C 封装:SOP-4 品牌:天电 产品应用:主要用于手机充电器、电源适配器、LED电源等。 规格书下载
MSB40M整流桥堆  4A软桥厂家

MSB40M整流桥堆  4A软桥厂家

产品类型:桥堆、软桥 产品型号:MSB40M 产品描述:4A 1000V MSB407 MSB 封装:MSB 品牌:新邦微XBW 产品应用:主要用于手机充电器、电源适配器、LED电源等。 规格书下载
特锐祥正品 插件陶瓷Y5P151K 250V成色版抖音91免费

特锐祥正品 插件陶瓷Y5P151K 250V成色版抖音91免费

产品类型:Y2成色版抖音91免费 产品型号:Y2 471M/250V 产品描述:SMD-Y2-Y5U471M/AC250V 封装:4.3*3.5*2.2 品牌:特锐祥 封装/外壳:塑料封装 L 管脚贴片 产品应用:主要用于家用电器、充电器 规格书下载
全新原装牛角型820uf 450V硬脚电解成色版抖音91免费

全新原装牛角型820uf 450V硬脚电解成色版抖音91免费

产品系列:电解成色版抖音91免费 产品型号:牛角型电解成色版抖音91免费 产品描述:尺寸可定制 820uF 450V 封装:铝电解 品牌:NOBLE 产品应用:家用电器
肖特基二极管SS54 5A 40V SMA/SMB/SMC

肖特基二极管SS54 5A 40V SMA/SMB/SMC

产品类型:二极管 产品型号:SS54 产品描述:5A 40V 550mV@5A 产品封装:SMA/SMB/SMC 产品品牌:新邦微 产品应用:小家电、数码产品、电源产品及工控等 规格书下载
瞬态抑制二极管SMF5.0CA SOD-123FL

瞬态抑制二极管SMF5.0CA SOD-123FL

产品类型:TVS二极管 产品型号:SMF5.0CA 产品描述:4.6*1.5*2.9 产品封装:SOD-123FL 产品品牌:新邦微XBW 产品应用:主要应用于数码产品、传感器、变速器、工控回路、续电器、接触器噪音的抑制等各个领域
贴片稳压二极管BZX584C6V8 6.8V SOD-523

贴片稳压二极管BZX584C6V8 6.8V SOD-523

产品类型:塑封稳压二极管 产品型号:BZX584C6V8 产品描述:6.8V 丝印Z5 封装:SOD-523 品牌:星海 产品应用:由于具有稳压作用,广泛用在稳压电源、电子点火器、直流电平平移、限幅电路、过压保护电路、补偿电路等当中。 规格书下载
1N4148W开关二极管 新邦微原厂直销

1N4148W开关二极管 新邦微原厂直销

产品类型:二极管 产品型号:1N4148W 产品描述:75V 0.15A T4 SOT-23 封装:SOT-23 品牌:新邦微XBW 产品应用:超高速开关应用。应用广泛。应用于电子设备、数码、通讯等。 规格书下载
BAV70贴片二极管 新邦微高速开关二极管

BAV70贴片二极管 新邦微高速开关二极管

产品类型:二极管 产品型号:BAV70 产品描述:75V 0.15A T4 封装:SOT-23 品牌:新邦微XBW 产品应用:超高速开关应用。应用广泛。应用于电子设备、数码、通讯等。 规格书下载
BAV99开关二极管 新邦微100%原装正品

BAV99开关二极管 新邦微100%原装正品

产品类型:二极管 产品型号:BAV99 产品描述:75V 0.15A T4 产品封装:SOT-23 产品品牌:新邦微XBW 产品应用:超高速开关应用。应用广泛。应用于电子设备、数码、通讯等。 规格书下载
新邦微MMBD4148CA开关二极管

新邦微MMBD4148CA开关二极管

产品类型:二极管 产品型号:MMBD4148CA 产品描述:75V 0.2A A1 产品封装:SOT-23 产品品牌:新邦微XBW 产品应用:超高速开关应用。应用广泛。应用于电子设备、数码、通讯等。 规格书下载
新邦微BAW56原装现货贴片开关二极管

新邦微BAW56原装现货贴片开关二极管

产品类型:二极管 产品型号:BAW56 产品描述:75V 0.215A A7 产品封装:SOT-23 产品品牌:新邦微XBW 产品应用:超高速开关应用。应用广泛。应用于电子设备、数码、通讯等。 规格书下载
SMA封装 新邦微贴UF1M片二极管

SMA封装 新邦微贴UF1M片二极管

产品类型:快恢复二极管 产品型号:UF1M 封装:SMA 品牌:新邦微XBW 产品应用:塑料封装型通用硅材料。广泛应用于各种交流变直流的整流电路中。也用于桥式整流电路。 规格书下载
新邦微RS2M贴片快恢复二极管 厂家直售

新邦微RS2M贴片快恢复二极管 厂家直售

产品类型:二极管 产品型号:RS2M 产品描述:2A 1000V  封装:SMA 品牌:新邦微XBW 产品应用:广泛应用于开关电源、LED电源、变频器、驱动器等电路 规格书下载
新邦微SMB封装 FR1M快恢复二极管高质价优

新邦微SMB封装 FR1M快恢复二极管高质价优

产品类型:二极管 产品型号:FR1M 产品描述:1A 1000V FR1M SMB 封装:SMA 品牌:新邦微XBW 产品应用:广泛应用于开关电源、LED电源、变频器、驱动器等电路 规格书下载
新邦微US1M快恢复二极管

新邦微US1M快恢复二极管

产品类型:快恢复二极管 产品型号:US1M 产品描述:1A 1000V 封装:SMA 品牌:新邦微XBW 产品应用:广泛应用于开关电源、LED电源、变频器、驱动器等电路 规格书下载
新邦微RS1M贴片二极管 O元拿样

新邦微RS1M贴片二极管 O元拿样

产品类型:二极管 产品型号:RS1M 封装:SMA 品牌:新邦微XBW 产品应用:广泛应用于开关电源、LED电源、变频器、驱动器等电路 规格书下载
新邦微M7整流二极管 SMA封装厂家直售

新邦微M7整流二极管 SMA封装厂家直售

产品类型:整流二极管 产品型号:M7 封装:SMA 品牌:新邦微XBW 产品应用:塑料封装型通用硅材料。广泛应用于各种交流变直流的整流电路中。也用于桥式整流电路。 规格书下载
新邦微SOD-123FL封装 1N4007W整流二极管

新邦微SOD-123FL封装 1N4007W整流二极管

产品类型:二极管 产品型号:1N4007W 封装:SOD-123FL 品牌:新邦微XBW 产品应用:塑料封装型通用硅材料。广泛应用于各种交流变直流的整流电路中。也用于桥式整流电路。 规格书下载
新邦微1N5399整流二极管 高质价优

新邦微1N5399整流二极管 高质价优

产品类型:二极管 产品型号:1N5399 产品描述:1.5A 1000V DO-15 封装:DO-15 品牌:新邦微XBW 产品应用:塑料封装型通用硅材料。广泛应用于各种交流变直流的整流电路中。也用于桥式整流电路。 规格书下载
新邦微1N4007整流二极管 原装正品

新邦微1N4007整流二极管 原装正品

产品类型:二极管 产品型号:1N4007 产品描述:1A 1000V DO-41 封装:DO-41 品牌:新邦微XBW 产品应用:塑料封装型通用硅材料。广泛应用于各种交流变直流的整流电路中。也用于桥式整流电路。 规格书下载
新邦微1N5408整流二极管 DO-41现货速发

新邦微1N5408整流二极管 DO-41现货速发

产品类型:二极管 产品型号:1N4008 产品描述:1A 1000V DO-41 封装:DO-41 品牌:新邦微XBW 产品应用:塑料封装型通用硅材料。广泛应用于各种交流变直流的整流电路中。也用于桥式整流电路。 规格书下载
肖特基贴片二极管1N5819W SOD-123

肖特基贴片二极管1N5819W SOD-123

产品类型:二极管 产品型号:1N5819W 产品描述:1A 40V  丝印SL 封装:SOD-123 品牌:新邦微XBW 产品应用:用于低压、高频逆变器;自由转动和极性保护应用 规格书下载

联系成人抖音下载

  • 电话:138-2353-9691
  • QQ:397540463
  • 邮箱:397540463@qq.com
  • 地址:深圳市宝安区西乡大道302号金源商务大厦B座301
网站地图