欢迎来到深圳市成人抖音下载电子有限公司官网!
成人抖音APP网站

16年专注电子元器件代理服务商销售成色版抖音91免费、成人抖音在线下载、成人抖音APP网站等产品遍布全球130个国家地区

咨询热线138-2353-9691(微信同号)成人抖音在线下载
关注成人抖音下载,获取电子元器件新资讯
您的位置: 网站首页 > 新闻资讯 > 贴片安规Y1成色版抖音91免费器产品介绍 

贴片安规Y1成色版抖音91免费器产品介绍 

发布时间:2025-01-14 17:00:00
信息摘要:
贴片安规Y1成色版抖音91免费器TRXSMD-Y1.CAP10PF-2200PF是一款高性能的小型卧式贴片单层陶瓷成色版抖音91免费器。它采用先进的高Q低损芯片技术,使得产品在稳定性和可靠性方面表现更加优异。

[ 贴片安规Y1成色版抖音91免费器

TRX SMD-Y1.CAP

10PF-2200PF ]

75c3361d-b71d-4ecd-b68a-c292ad04f57e 

贴片安规Y1成色版抖音91免费器TRXSMD-Y1.CAP10PF-2200PF是一款高性能的小型卧式贴片单层陶瓷成色版抖音91免费器。它采用先进的高Q低损芯片技术,使得产品在稳定性和可靠性方面表现更加优异。

该成色版抖音91免费器具有多项出色的电气性能。其额定电压达到400伏交流电压,耐压能力更是高达4千伏交流电压,能够承受高达8千伏的脉冲峰值电压,保证了在恶劣的电气环境下的稳定运行。同时,它在电路中能够有效抑制共模干扰,为电子设备的正常运行提供了有力的保障。此外,该成色版抖音91免费器还可用于跨接一次和二次侧,进一步拓展了其应用范围。 

75c3361d-b71d-4ecd-b68a-c292ad04f57e  

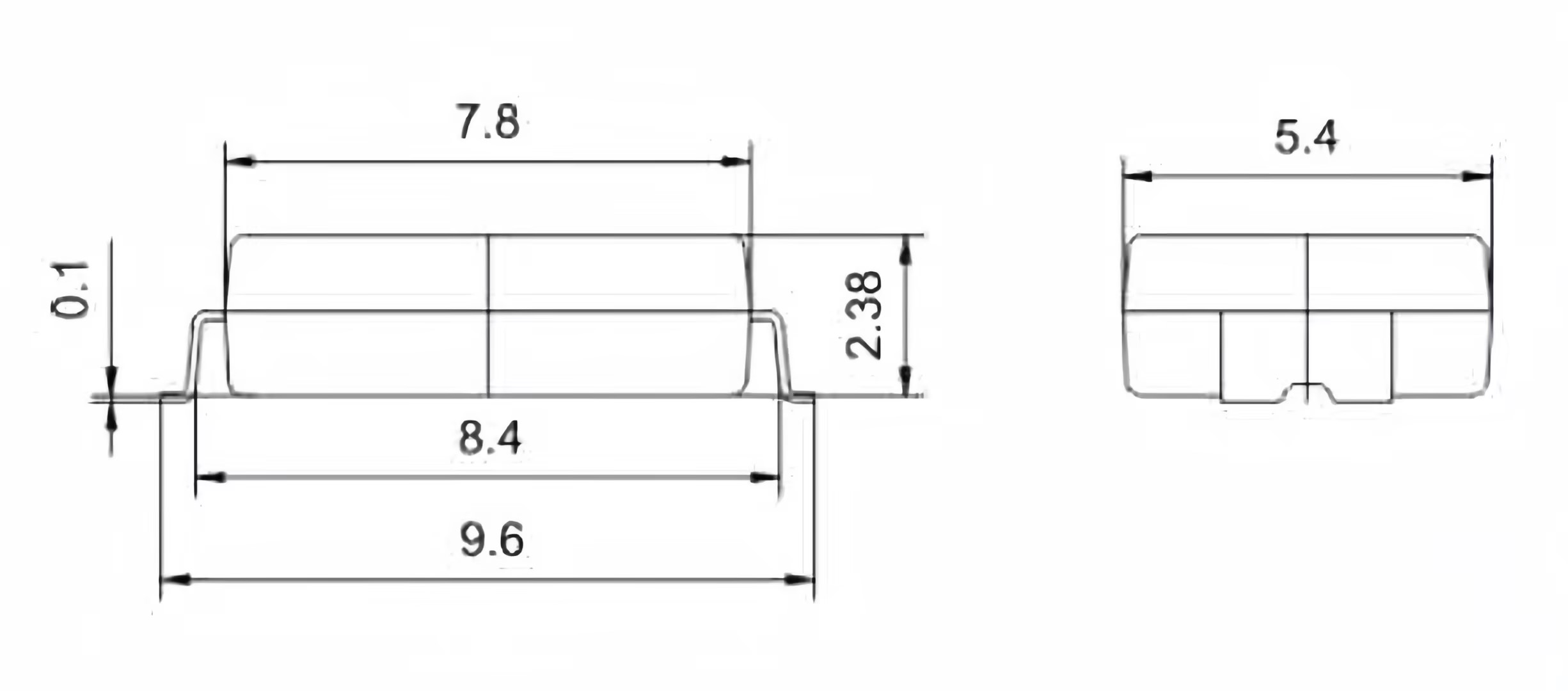
在尺寸和重量方面,该成色版抖音91免费器也表现出色。其尺寸为10*9*0.1毫米,小巧轻便,便于在电子设备中进行布局和安装。同时,其重量仅为7.8克,减轻了设备的整体重量,有利于提升设备的便携性和使用体验。

此外,该成色版抖音91免费器最高耐压4000VAC,绝缘电阻≥6000MΩ,防泄漏与短路。脉冲电压承受能力达8KVAC,适用脉冲电压场景。阻燃等级B,降低火灾风险。漏电流<5mA,提升系统稳定性与效率。

在温度特性方面,该成色版抖音91免费器提供了多种选择,包括SL、B、E、F等级,以适应不同工作环境下的温度要求。同时,其容量偏差也提供了J(+5%)、K(±10%)、M(±20%)等多种选项,以满足客户对成色版抖音91免费器容量的不同需求。

典型应用

家用电器:如电视、空调、冰箱等,保护设备并减少电源噪声。

电源适配器:对电流进行平滑处理,确保设备稳定工作。

LED照明:减少电源干扰,提升照明设备的稳定性和使用寿命。

医疗设备:用于保证设备的安全性,防止电击事故。

工业设备:如变频器、UPS电源等,提升设备的抗干扰能力和可靠性。 

综上所述,贴片安规Y1成色版抖音91免费器TRX SMD-Y1.CAP10PF以其出色的电气性能、小巧轻便的尺寸和重量以及多种可选的温度特性和容量偏差,成为了电子设备中不可或缺的重要元件。

 

特锐祥TRX SMD-Y1 型

陶瓷交流固定成色版抖音91免费器

封装代码

Package code

特锐祥料号

TRX P.N.

产品描述

Product description

7854

TMY1100J

SMD-Y1SL100J/AC400V

7854

TMY1220J

SMD-Y1SL220J/AC400V

7854

TMY1330J

SMD-Y1SL330J/AC400V

7854

TMY1470J

SMD-Y1SL470J/AC400V

7854

TMY1680J

SMD-Y1SL680J/AC400V

7854

TMY1101K

SMD-Y1Y5P101K/AC400V

7854

TMY1151K

SMD-Y1Y5P151K/AC400V

7854

TMY1221K

SMD-Y1Y5P221K/AC400V

7854

TMY1271K

SMD-Y1Y5P271K/AC400V

7854

TMY1331K

SMD-Y1Y5P331K/AC400V

7854

TMY1471K

SMD-Y1Y5P471K/AC400V

7854

TMY1471M

SMD-Y1Y5U471M/AC400V

7854

TMY1681M

SMD-Y1Y5U681M/AC400V

7854

TMY1102M

SMD-Y1Y5U102M/AC400V

7854

TMY1152M

SMD-Y1Y5U152M/AC400V

7854

TMY1222M

SMD-Y1Y5V222M/AC400V

  

对于贴片Y成色版抖音91免费,特锐祥TRX是行业内不可忽视的品牌。以其卓越的品质、稳定的性能和广泛的应用领域,特锐祥TRX赢得了众多客户的信赖与好评。无论是汽车电子、通信设备还是工业控制,特锐祥Y成色版抖音91免费都是您值得信赖的选择。

成人抖音下载电子为特锐祥TRX一级代理商,服务于汽车行业、电源行业、机器人行业等。专业提供各类安规成色版抖音91免费,认证齐全,免费拿样,现货供应,欢迎前来咨询!

            

热品推荐

特锐祥贴片陶瓷Y5U561M安规成色版抖音91免费 厂家直售

特锐祥贴片陶瓷Y5U561M安规成色版抖音91免费 厂家直售

产品类型:Y2成色版抖音91免费 产品型号:Y2 561M/250V 产品描述:SMD-Y2-Y5U561M/AC250V 封装:4.3*3.5*2.2 品牌:特锐祥 封装/外壳:塑料封装 L 管脚贴片 产品应用:主要用于家用电器、充电器 规格书下载
插件固态成色版抖音91免费1000UF 6.3V 8* 8 免费拿样

插件固态成色版抖音91免费1000UF 6.3V 8* 8 免费拿样

产品系列:固态成色版抖音91免费 产品型号:1000UF 6.3V 8*8 产品描述:6.3V 8*8 品牌:FRX 产品应用:通用DC-DC调节器
长寿命弯脚 400V120UF  高品质电解成色版抖音91免费供应

长寿命弯脚 400V120UF  高品质电解成色版抖音91免费供应

产品系列:电解成色版抖音91免费 产品型号:长寿命电解成色版抖音91免费 产品描述:尺寸可定制 400uF 120V 封装:铝电解 品牌:NOBLE 产品应用:家用电器
X2安规成色版抖音91免费 335K/AC275V 脚距10mm成色版抖音91免费

X2安规成色版抖音91免费 335K/AC275V 脚距10mm成色版抖音91免费

产品类型:X成色版抖音91免费 产品型号:X2 335K/AC275V   本体宽度:13mm 本体脚距:10mm 本体厚度:8mm 品牌:特锐祥 封装/外壳:塑料封装 L 管脚贴片 产品应用:家用电器 规格书下载
8N65高压mos管 场效应管SMF8N65

8N65高压mos管 场效应管SMF8N65

产品类型:场效应管 产品型号:SMF8N65 产品描述:8A 650V TO-220F塑封 封装:TO-220F 品牌:FRX 产品应用:高压NPN型MOS管,高频开关电源,高速功率开关应用。应用于电源开关、LED照明等 规格书下载
天电TD356C(T1)-G成人抖音在线下载代替亿光EL357C

天电TD356C(T1)-G成人抖音在线下载代替亿光EL357C

产品类型:成人抖音在线下载 产品型号:TD356C(T1)-G 运转方式:代替亿光EL357C 封装:SOP-4 品牌:天电 产品应用:主要用于手机充电器、电源适配器、LED电源等。 规格书下载
MSB40M整流桥堆  4A软桥厂家

MSB40M整流桥堆  4A软桥厂家

产品类型:桥堆、软桥 产品型号:MSB40M 产品描述:4A 1000V MSB407 MSB 封装:MSB 品牌:新邦微XBW 产品应用:主要用于手机充电器、电源适配器、LED电源等。 规格书下载
特锐祥正品 插件陶瓷Y5P151K 250V成色版抖音91免费

特锐祥正品 插件陶瓷Y5P151K 250V成色版抖音91免费

产品类型:Y2成色版抖音91免费 产品型号:Y2 471M/250V 产品描述:SMD-Y2-Y5U471M/AC250V 封装:4.3*3.5*2.2 品牌:特锐祥 封装/外壳:塑料封装 L 管脚贴片 产品应用:主要用于家用电器、充电器 规格书下载
全新原装牛角型820uf 450V硬脚电解成色版抖音91免费

全新原装牛角型820uf 450V硬脚电解成色版抖音91免费

产品系列:电解成色版抖音91免费 产品型号:牛角型电解成色版抖音91免费 产品描述:尺寸可定制 820uF 450V 封装:铝电解 品牌:NOBLE 产品应用:家用电器
肖特基二极管SS54 5A 40V SMA/SMB/SMC

肖特基二极管SS54 5A 40V SMA/SMB/SMC

产品类型:二极管 产品型号:SS54 产品描述:5A 40V 550mV@5A 产品封装:SMA/SMB/SMC 产品品牌:新邦微 产品应用:小家电、数码产品、电源产品及工控等 规格书下载
瞬态抑制二极管SMF5.0CA SOD-123FL

瞬态抑制二极管SMF5.0CA SOD-123FL

产品类型:TVS二极管 产品型号:SMF5.0CA 产品描述:4.6*1.5*2.9 产品封装:SOD-123FL 产品品牌:新邦微XBW 产品应用:主要应用于数码产品、传感器、变速器、工控回路、续电器、接触器噪音的抑制等各个领域
贴片稳压二极管BZX584C6V8 6.8V SOD-523

贴片稳压二极管BZX584C6V8 6.8V SOD-523

产品类型:塑封稳压二极管 产品型号:BZX584C6V8 产品描述:6.8V 丝印Z5 封装:SOD-523 品牌:星海 产品应用:由于具有稳压作用,广泛用在稳压电源、电子点火器、直流电平平移、限幅电路、过压保护电路、补偿电路等当中。 规格书下载
1N4148W开关二极管 新邦微原厂直销

1N4148W开关二极管 新邦微原厂直销

产品类型:二极管 产品型号:1N4148W 产品描述:75V 0.15A T4 SOT-23 封装:SOT-23 品牌:新邦微XBW 产品应用:超高速开关应用。应用广泛。应用于电子设备、数码、通讯等。 规格书下载
BAV70贴片二极管 新邦微高速开关二极管

BAV70贴片二极管 新邦微高速开关二极管

产品类型:二极管 产品型号:BAV70 产品描述:75V 0.15A T4 封装:SOT-23 品牌:新邦微XBW 产品应用:超高速开关应用。应用广泛。应用于电子设备、数码、通讯等。 规格书下载
BAV99开关二极管 新邦微100%原装正品

BAV99开关二极管 新邦微100%原装正品

产品类型:二极管 产品型号:BAV99 产品描述:75V 0.15A T4 产品封装:SOT-23 产品品牌:新邦微XBW 产品应用:超高速开关应用。应用广泛。应用于电子设备、数码、通讯等。 规格书下载
新邦微MMBD4148CA开关二极管

新邦微MMBD4148CA开关二极管

产品类型:二极管 产品型号:MMBD4148CA 产品描述:75V 0.2A A1 产品封装:SOT-23 产品品牌:新邦微XBW 产品应用:超高速开关应用。应用广泛。应用于电子设备、数码、通讯等。 规格书下载
新邦微BAW56原装现货贴片开关二极管

新邦微BAW56原装现货贴片开关二极管

产品类型:二极管 产品型号:BAW56 产品描述:75V 0.215A A7 产品封装:SOT-23 产品品牌:新邦微XBW 产品应用:超高速开关应用。应用广泛。应用于电子设备、数码、通讯等。 规格书下载
SMA封装 新邦微贴UF1M片二极管

SMA封装 新邦微贴UF1M片二极管

产品类型:快恢复二极管 产品型号:UF1M 封装:SMA 品牌:新邦微XBW 产品应用:塑料封装型通用硅材料。广泛应用于各种交流变直流的整流电路中。也用于桥式整流电路。 规格书下载
新邦微RS2M贴片快恢复二极管 厂家直售

新邦微RS2M贴片快恢复二极管 厂家直售

产品类型:二极管 产品型号:RS2M 产品描述:2A 1000V  封装:SMA 品牌:新邦微XBW 产品应用:广泛应用于开关电源、LED电源、变频器、驱动器等电路 规格书下载
新邦微SMB封装 FR1M快恢复二极管高质价优

新邦微SMB封装 FR1M快恢复二极管高质价优

产品类型:二极管 产品型号:FR1M 产品描述:1A 1000V FR1M SMB 封装:SMA 品牌:新邦微XBW 产品应用:广泛应用于开关电源、LED电源、变频器、驱动器等电路 规格书下载
新邦微US1M快恢复二极管

新邦微US1M快恢复二极管

产品类型:快恢复二极管 产品型号:US1M 产品描述:1A 1000V 封装:SMA 品牌:新邦微XBW 产品应用:广泛应用于开关电源、LED电源、变频器、驱动器等电路 规格书下载
新邦微RS1M贴片二极管 O元拿样

新邦微RS1M贴片二极管 O元拿样

产品类型:二极管 产品型号:RS1M 封装:SMA 品牌:新邦微XBW 产品应用:广泛应用于开关电源、LED电源、变频器、驱动器等电路 规格书下载
新邦微M7整流二极管 SMA封装厂家直售

新邦微M7整流二极管 SMA封装厂家直售

产品类型:整流二极管 产品型号:M7 封装:SMA 品牌:新邦微XBW 产品应用:塑料封装型通用硅材料。广泛应用于各种交流变直流的整流电路中。也用于桥式整流电路。 规格书下载
新邦微SOD-123FL封装 1N4007W整流二极管

新邦微SOD-123FL封装 1N4007W整流二极管

产品类型:二极管 产品型号:1N4007W 封装:SOD-123FL 品牌:新邦微XBW 产品应用:塑料封装型通用硅材料。广泛应用于各种交流变直流的整流电路中。也用于桥式整流电路。 规格书下载
新邦微1N5399整流二极管 高质价优

新邦微1N5399整流二极管 高质价优

产品类型:二极管 产品型号:1N5399 产品描述:1.5A 1000V DO-15 封装:DO-15 品牌:新邦微XBW 产品应用:塑料封装型通用硅材料。广泛应用于各种交流变直流的整流电路中。也用于桥式整流电路。 规格书下载
新邦微1N4007整流二极管 原装正品

新邦微1N4007整流二极管 原装正品

产品类型:二极管 产品型号:1N4007 产品描述:1A 1000V DO-41 封装:DO-41 品牌:新邦微XBW 产品应用:塑料封装型通用硅材料。广泛应用于各种交流变直流的整流电路中。也用于桥式整流电路。 规格书下载
新邦微1N5408整流二极管 DO-41现货速发

新邦微1N5408整流二极管 DO-41现货速发

产品类型:二极管 产品型号:1N4008 产品描述:1A 1000V DO-41 封装:DO-41 品牌:新邦微XBW 产品应用:塑料封装型通用硅材料。广泛应用于各种交流变直流的整流电路中。也用于桥式整流电路。 规格书下载
肖特基贴片二极管1N5819W SOD-123

肖特基贴片二极管1N5819W SOD-123

产品类型:二极管 产品型号:1N5819W 产品描述:1A 40V  丝印SL 封装:SOD-123 品牌:新邦微XBW 产品应用:用于低压、高频逆变器;自由转动和极性保护应用 规格书下载

联系成人抖音下载

  • 电话:138-2353-9691
  • QQ:397540463
  • 邮箱:397540463@qq.com
  • 地址:深圳市宝安区西乡大道302号金源商务大厦B座301
网站地图