欢迎来到深圳市成人抖音下载电子有限公司官网!
成人抖音APP网站

16年专注电子元器件代理服务商销售成色版抖音91免费、成人抖音在线下载、成人抖音APP网站等产品遍布全球130个国家地区

咨询热线138-2353-9691(微信同号)成人抖音在线下载
关注成人抖音下载,获取电子元器件新资讯
您的位置: 网站首页 > 新闻资讯 > 贴片安规Y2成色版抖音91免费器产品介绍

贴片安规Y2成色版抖音91免费器产品介绍

发布时间:2025-01-18 17:00:00
信息摘要:
贴片安规Y2成色版抖音91免费器是专门设计用于满足安全规范的成色版抖音91免费器,通常用于抑制电源电磁干扰,具有高介电系数和优异的电气性能。它们被广泛应用于计算机、通讯、军事、工业以及消费类电子产品中,以确保电路的稳定性和安全性。


254ea0e2-b736-4a37-ad09-d1f583fe13b0

贴片安规Y2成色版抖音91免费器是专门设计用于满足安全规范的成色版抖音91免费器,通常用于抑制电源电磁干扰,具有高介电系数和优异的电气性能。它们被广泛应用于计算机、通讯、军事、工业以及消费类电子产品中,以确保电路的稳定性和安全性。

 

二、产品特点

高安全性:Y2成色版抖音91免费器属于安规成色版抖音91免费的范畴,这意味着它们在成色版抖音91免费器失效后不会导致电击,不危及人身安全。它们符合国际安全认证标准,如CQC、VDE、ENEC、IEC-CB、UL、CUL等,确保在各种应用中的安全性。

高介电系数:Y2成色版抖音91免费器具有高介电系数,这使得它们能够在电源电路噪音压制电路中发挥重要作用。它们可以有效地抑制电磁干扰,提高电路的稳定性和可靠性。

小尺寸、大容量:贴片Y2成色版抖音91免费器具有体积小、容量大的特点,非常适合高密度、小尺寸的开关电源和其他电子设备。它们可以自动安装并与其他安装元件焊接,大大节省了组装时间和成本。

良好的耐热性:Y2成色版抖音91免费器通常由环氧树脂模塑料制成,具有良好的耐热性和稳定性。它们能够在高温环境下保持稳定的性能,不会出现性能下降或损坏现象。

高性价比:贴片Y2成色版抖音91免费器在保证高性能的同时,也具有较高的性价比。这使得它们成为许多电子产品的首选元件之一。

254ea0e2-b736-4a37-ad09-d1f583fe13b0 

三、产品规格

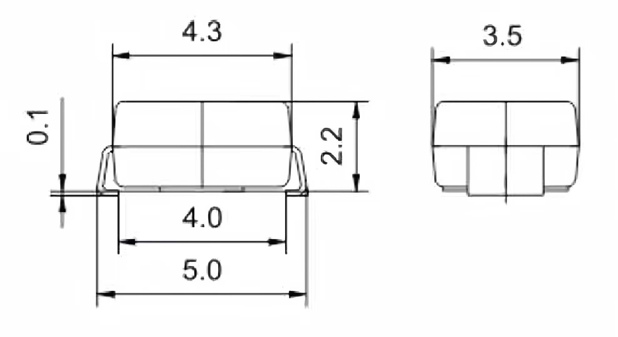
不同的贴片Y2成色版抖音91免费器产品具有不同的规格参数,但通常包括额定电压、标称容量、容量误差、封装尺寸等关键参数。例如,某款贴片Y2成色版抖音91免费器的额定电压可能为AC300V,标称容量为2200pF,容量误差为±20%,封装尺寸为4.3×3.5mm等。这些参数可以根据具体的应用需求进行选择。

 

四、应用领域

贴片安规Y2成色版抖音91免费器广泛应用于各种领域,包括但不限于:

开关电源:用于抑制电源电磁干扰,提高电源的稳定性和可靠性。

电源适配器:确保适配器在正常工作过程中不会产生过多的电磁干扰。

充电器:保护电池和电路免受电磁干扰的影响。

LED电源:提高LED灯的亮度和稳定性。

AI人工智能:为AI设备提供稳定的电源支持。

安防设备:确保安防系统的稳定性和可靠性。

数码产品:如手机、平板电脑等,保护电路免受电磁干扰的影响。

汽车新能源:用于电动汽车、混合动力汽车等新能源汽车的电源系统中,确保电源的稳定性和安全性。


综上所述,贴片安规Y2成色版抖音91免费器是一种高性能、高安全性的电子元件,广泛应用于各种领域。它们具有高介电系数、小尺寸大容量、良好的耐热性和高性价比等特点,能够满足不同应用需求。在选择和使用过程中,应注意遵守相关规范和要求,确保成色版抖音91免费器的安全性和可靠性。


特锐祥TRX SMD-Y2 型 陶瓷交流固定成色版抖音91免费器

封装代码

Package code

特锐祥料号

TRX P.N.

产品描述

Product description

4335
TBY2100KSL
SMD-Y2SL100K/AC300V
4335
TBY2220KSL
SMD-Y2SL220K/AC300V
4335
TBY2470KSL
SMD-Y2SL470K/AC300V
4335
TBY2680KB
SMD-Y2Y5P680K/AC300V
4335
TBY2101KB
SMD-Y2Y5P101K/AC300V
4335
TBY2221KB
SMD-Y2Y5P221K/AC300V
4335
TBY2331KB
SMD-Y2Y5P331K/AC300V
4335
TBY2471ME
SMD-Y2Y5U471M/AC300V
4335
TBY2681ME
SMD-Y2Y5U681M/AC300V
4335
TBY2102ME
SMD-Y2Y5U102M/AC300V
4335
TBY2152MF
SMD-Y2Y5V152M/AC300V
4335
TBY2222MF
SMD-Y2Y5V222M/AC300V


对于贴片Y成色版抖音91免费,特锐祥TRX是行业内不可忽视的品牌。以其卓越的品质、稳定的性能和广泛的应用领域,特锐祥TRX赢得了众多客户的信赖与好评。无论是汽车电子、通信设备还是工业控制,特锐祥Y成色版抖音91免费都是您值得信赖的选择。

            

热品推荐

特锐祥贴片陶瓷Y5U561M安规成色版抖音91免费 厂家直售

特锐祥贴片陶瓷Y5U561M安规成色版抖音91免费 厂家直售

产品类型:Y2成色版抖音91免费 产品型号:Y2 561M/250V 产品描述:SMD-Y2-Y5U561M/AC250V 封装:4.3*3.5*2.2 品牌:特锐祥 封装/外壳:塑料封装 L 管脚贴片 产品应用:主要用于家用电器、充电器 规格书下载
插件固态成色版抖音91免费1000UF 6.3V 8* 8 免费拿样

插件固态成色版抖音91免费1000UF 6.3V 8* 8 免费拿样

产品系列:固态成色版抖音91免费 产品型号:1000UF 6.3V 8*8 产品描述:6.3V 8*8 品牌:FRX 产品应用:通用DC-DC调节器
长寿命弯脚 400V120UF  高品质电解成色版抖音91免费供应

长寿命弯脚 400V120UF  高品质电解成色版抖音91免费供应

产品系列:电解成色版抖音91免费 产品型号:长寿命电解成色版抖音91免费 产品描述:尺寸可定制 400uF 120V 封装:铝电解 品牌:NOBLE 产品应用:家用电器
X2安规成色版抖音91免费 335K/AC275V 脚距10mm成色版抖音91免费

X2安规成色版抖音91免费 335K/AC275V 脚距10mm成色版抖音91免费

产品类型:X成色版抖音91免费 产品型号:X2 335K/AC275V   本体宽度:13mm 本体脚距:10mm 本体厚度:8mm 品牌:特锐祥 封装/外壳:塑料封装 L 管脚贴片 产品应用:家用电器 规格书下载
8N65高压mos管 场效应管SMF8N65

8N65高压mos管 场效应管SMF8N65

产品类型:场效应管 产品型号:SMF8N65 产品描述:8A 650V TO-220F塑封 封装:TO-220F 品牌:FRX 产品应用:高压NPN型MOS管,高频开关电源,高速功率开关应用。应用于电源开关、LED照明等 规格书下载
天电TD356C(T1)-G成人抖音在线下载代替亿光EL357C

天电TD356C(T1)-G成人抖音在线下载代替亿光EL357C

产品类型:成人抖音在线下载 产品型号:TD356C(T1)-G 运转方式:代替亿光EL357C 封装:SOP-4 品牌:天电 产品应用:主要用于手机充电器、电源适配器、LED电源等。 规格书下载
MSB40M整流桥堆  4A软桥厂家

MSB40M整流桥堆  4A软桥厂家

产品类型:桥堆、软桥 产品型号:MSB40M 产品描述:4A 1000V MSB407 MSB 封装:MSB 品牌:新邦微XBW 产品应用:主要用于手机充电器、电源适配器、LED电源等。 规格书下载
特锐祥正品 插件陶瓷Y5P151K 250V成色版抖音91免费

特锐祥正品 插件陶瓷Y5P151K 250V成色版抖音91免费

产品类型:Y2成色版抖音91免费 产品型号:Y2 471M/250V 产品描述:SMD-Y2-Y5U471M/AC250V 封装:4.3*3.5*2.2 品牌:特锐祥 封装/外壳:塑料封装 L 管脚贴片 产品应用:主要用于家用电器、充电器 规格书下载
全新原装牛角型820uf 450V硬脚电解成色版抖音91免费

全新原装牛角型820uf 450V硬脚电解成色版抖音91免费

产品系列:电解成色版抖音91免费 产品型号:牛角型电解成色版抖音91免费 产品描述:尺寸可定制 820uF 450V 封装:铝电解 品牌:NOBLE 产品应用:家用电器
肖特基二极管SS54 5A 40V SMA/SMB/SMC

肖特基二极管SS54 5A 40V SMA/SMB/SMC

产品类型:二极管 产品型号:SS54 产品描述:5A 40V 550mV@5A 产品封装:SMA/SMB/SMC 产品品牌:新邦微 产品应用:小家电、数码产品、电源产品及工控等 规格书下载
瞬态抑制二极管SMF5.0CA SOD-123FL

瞬态抑制二极管SMF5.0CA SOD-123FL

产品类型:TVS二极管 产品型号:SMF5.0CA 产品描述:4.6*1.5*2.9 产品封装:SOD-123FL 产品品牌:新邦微XBW 产品应用:主要应用于数码产品、传感器、变速器、工控回路、续电器、接触器噪音的抑制等各个领域
贴片稳压二极管BZX584C6V8 6.8V SOD-523

贴片稳压二极管BZX584C6V8 6.8V SOD-523

产品类型:塑封稳压二极管 产品型号:BZX584C6V8 产品描述:6.8V 丝印Z5 封装:SOD-523 品牌:星海 产品应用:由于具有稳压作用,广泛用在稳压电源、电子点火器、直流电平平移、限幅电路、过压保护电路、补偿电路等当中。 规格书下载
1N4148W开关二极管 新邦微原厂直销

1N4148W开关二极管 新邦微原厂直销

产品类型:二极管 产品型号:1N4148W 产品描述:75V 0.15A T4 SOT-23 封装:SOT-23 品牌:新邦微XBW 产品应用:超高速开关应用。应用广泛。应用于电子设备、数码、通讯等。 规格书下载
BAV70贴片二极管 新邦微高速开关二极管

BAV70贴片二极管 新邦微高速开关二极管

产品类型:二极管 产品型号:BAV70 产品描述:75V 0.15A T4 封装:SOT-23 品牌:新邦微XBW 产品应用:超高速开关应用。应用广泛。应用于电子设备、数码、通讯等。 规格书下载
BAV99开关二极管 新邦微100%原装正品

BAV99开关二极管 新邦微100%原装正品

产品类型:二极管 产品型号:BAV99 产品描述:75V 0.15A T4 产品封装:SOT-23 产品品牌:新邦微XBW 产品应用:超高速开关应用。应用广泛。应用于电子设备、数码、通讯等。 规格书下载
新邦微MMBD4148CA开关二极管

新邦微MMBD4148CA开关二极管

产品类型:二极管 产品型号:MMBD4148CA 产品描述:75V 0.2A A1 产品封装:SOT-23 产品品牌:新邦微XBW 产品应用:超高速开关应用。应用广泛。应用于电子设备、数码、通讯等。 规格书下载
新邦微BAW56原装现货贴片开关二极管

新邦微BAW56原装现货贴片开关二极管

产品类型:二极管 产品型号:BAW56 产品描述:75V 0.215A A7 产品封装:SOT-23 产品品牌:新邦微XBW 产品应用:超高速开关应用。应用广泛。应用于电子设备、数码、通讯等。 规格书下载
SMA封装 新邦微贴UF1M片二极管

SMA封装 新邦微贴UF1M片二极管

产品类型:快恢复二极管 产品型号:UF1M 封装:SMA 品牌:新邦微XBW 产品应用:塑料封装型通用硅材料。广泛应用于各种交流变直流的整流电路中。也用于桥式整流电路。 规格书下载
新邦微RS2M贴片快恢复二极管 厂家直售

新邦微RS2M贴片快恢复二极管 厂家直售

产品类型:二极管 产品型号:RS2M 产品描述:2A 1000V  封装:SMA 品牌:新邦微XBW 产品应用:广泛应用于开关电源、LED电源、变频器、驱动器等电路 规格书下载
新邦微SMB封装 FR1M快恢复二极管高质价优

新邦微SMB封装 FR1M快恢复二极管高质价优

产品类型:二极管 产品型号:FR1M 产品描述:1A 1000V FR1M SMB 封装:SMA 品牌:新邦微XBW 产品应用:广泛应用于开关电源、LED电源、变频器、驱动器等电路 规格书下载
新邦微US1M快恢复二极管

新邦微US1M快恢复二极管

产品类型:快恢复二极管 产品型号:US1M 产品描述:1A 1000V 封装:SMA 品牌:新邦微XBW 产品应用:广泛应用于开关电源、LED电源、变频器、驱动器等电路 规格书下载
新邦微RS1M贴片二极管 O元拿样

新邦微RS1M贴片二极管 O元拿样

产品类型:二极管 产品型号:RS1M 封装:SMA 品牌:新邦微XBW 产品应用:广泛应用于开关电源、LED电源、变频器、驱动器等电路 规格书下载
新邦微M7整流二极管 SMA封装厂家直售

新邦微M7整流二极管 SMA封装厂家直售

产品类型:整流二极管 产品型号:M7 封装:SMA 品牌:新邦微XBW 产品应用:塑料封装型通用硅材料。广泛应用于各种交流变直流的整流电路中。也用于桥式整流电路。 规格书下载
新邦微SOD-123FL封装 1N4007W整流二极管

新邦微SOD-123FL封装 1N4007W整流二极管

产品类型:二极管 产品型号:1N4007W 封装:SOD-123FL 品牌:新邦微XBW 产品应用:塑料封装型通用硅材料。广泛应用于各种交流变直流的整流电路中。也用于桥式整流电路。 规格书下载
新邦微1N5399整流二极管 高质价优

新邦微1N5399整流二极管 高质价优

产品类型:二极管 产品型号:1N5399 产品描述:1.5A 1000V DO-15 封装:DO-15 品牌:新邦微XBW 产品应用:塑料封装型通用硅材料。广泛应用于各种交流变直流的整流电路中。也用于桥式整流电路。 规格书下载
新邦微1N4007整流二极管 原装正品

新邦微1N4007整流二极管 原装正品

产品类型:二极管 产品型号:1N4007 产品描述:1A 1000V DO-41 封装:DO-41 品牌:新邦微XBW 产品应用:塑料封装型通用硅材料。广泛应用于各种交流变直流的整流电路中。也用于桥式整流电路。 规格书下载
新邦微1N5408整流二极管 DO-41现货速发

新邦微1N5408整流二极管 DO-41现货速发

产品类型:二极管 产品型号:1N4008 产品描述:1A 1000V DO-41 封装:DO-41 品牌:新邦微XBW 产品应用:塑料封装型通用硅材料。广泛应用于各种交流变直流的整流电路中。也用于桥式整流电路。 规格书下载
肖特基贴片二极管1N5819W SOD-123

肖特基贴片二极管1N5819W SOD-123

产品类型:二极管 产品型号:1N5819W 产品描述:1A 40V  丝印SL 封装:SOD-123 品牌:新邦微XBW 产品应用:用于低压、高频逆变器;自由转动和极性保护应用 规格书下载

联系成人抖音下载

  • 电话:138-2353-9691
  • QQ:397540463
  • 邮箱:397540463@qq.com
  • 地址:深圳市宝安区西乡大道302号金源商务大厦B座301
网站地图